I use a Computer Aided Design (CAD) program for all my drawings. I first purchased the original software in 1985 as a DOS program ProDesign I. I have stuck with it through several company transitions (4) to my latest version DesignCAD Ver. 18. So as a 25 year user of a CAD program, drawings are a snap.
I use LView Pro for all my photo editing because It's was much easier to learn than Photo Shop.
My Type H-2 Search Light Signals
The Picture below shows the metal hole stamp, the K&S brass and a NJI Search Light head #525-4107 that I used as a go-by to make my own heads.
The 3/8" punch worked great for the signal back plates. I used 5/32" K&S brass tubing for the Sun shield.
After I had made all 20 of the 3/8" back plates I found some brass washers that would have worked very well at Lowes. OH Well, sometimes I win and sometimes I lose. The toughest part was making the hole in the center.
The picture above shows several heads that I made using the NJI head on the left as the go-by. The head in the lower right is mounted on a 3/32" support tube.
November 2017 Update:
I found that a #6S brass washer is very close to HO scale and will work for the signal head sun shield.
I will have a total of 16 signal heads for my mainline. Eight of those will be on two Cantilever bridges over dual tracks the other eight will be mounted on eight single head mast for single tracks. The signal bridges are kits from Train Cat Model Sales.
This is my first Southern Pacific H2 Search Light Signal. The ladder is Oregon Rail Supply #142. The Signal Cabinet is a casting that I made from an old Oregon Rail three light signal that they no longer have listed on their site. I will install a 3mm three lead bi-color LED in it.
The signal head is one of my creations from K&S brass stock. I made the 3/32" diameter brass tube support extend 1 1/4" from the bottom of signal cabinet. I will use a 1/8" brass tube in the layout for the signal tube to slide into for easy removal. I use that same scheme to mount my crossing signals and gates.
Cantilever Signal Bridge




The following pictures are of the painted signal bridge. I used a brush on this one, I think I'll use the air brush on the next one. The air brush cleanup will be easier than using a brush.




The only thing left to do is drill 1/8" hole in the concrete base (plastic block) for mounting and come up with an SP prototype relay control cabinet.

Signal Controller
This is my first signal bridge, it's about half done. I have checked the LEDs and they all work.

The assembling the heads on the mounting tubes was a bit tricky, There was a sequence to installing the heads because of the hand rails.

Getting 4 #28 wires down each of the 3/32" mounting tubes was also tricky, I had to put white grease on the wires so they would slip in the tube.

The construction is all soldered brass. I had to be very quick with the soldering iron so that I wouldn't melt the wire insulation or ding the LEDs because of the leads being only 1/16" long. All solid state parts are very sensitive to heat, too much and they're goners.

There are 4 #28 wires from the mast/tube on the left to the second mast/tube then there are 8 to over to the main support column and down the inside of the column to the 1/8" brass mounting tube. That was a very tight fit. The brass structure is the common ground for the LEDs.
The following pictures are of the painted signal bridge. I used a brush on this one, I think I'll use the air brush on the next one. The air brush cleanup will be easier than using a brush.




The only thing left to do is drill 1/8" hole in the concrete base (plastic block) for mounting and come up with an SP prototype relay control cabinet.

Waiting to be hooked up
I have finished the design portion of the electronic circuits and have the parts on order. I used some of Robert Pasiley's circuits, they are simple and reliable. I also put in a bit of my own design here and there. I'm in the process of posting the circuit diagrams with the parts lists as well as the art work for the printed circuit boards on Google Docs in PDF format.
The drawing above is my Mainline Block System. There are a total of 23 blocks on my layout, 14 are on my Mainline of which I will use 8 to control my signals. This project will in include sixteen search light signal heads, eight heads in each direction of travel on my mainline. I'm building two Cantilever Signal Bridges with bi-directional signal heads for my parallel tracks that will be placed about a foot out side of my two double track tunnel portals.
The remaining signals will be placed just outside single track portals, one on each side of the track for each direction.

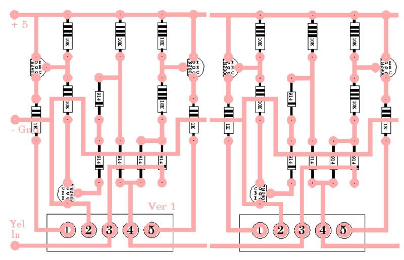
The circuit above is one section of the signal controller/driver. The drawing below is single section of the printed circuit board. They can be stacked to control as many signals as needed.
The single section circuit board layout is pictured below.
The picture below shows how the circuit board artwork can be extended to make as many drivers as needed. I made my boards with 4 drivers and connect the boards together with short pieces of #22 gauge hookup wire.
Parts List for one signal driver
1 each 2N3904 NPN Transistor
2 each 2N3906 PNP Transistors
5 each 10 K 1/4 Watt Resistors
2 each 1 K 1/4 Watt Resistors
5 each 1N914 Diodes
1 each AMP/TYCO Terminal Block Connector
1 Bi-Color Common Cathode Red/Green LED
The LEDs are available in 3 & 5 MM Diameter


The actual size of the detector card is 2" X 2.8". I'm going to make 30 detector cards so that I will have enough for every block and several for polarity detection.
Parts List for one Occupancy Detector
1 each H11AA4 AC Opto Isolator
1 each 4 Amp Bridge Rectifier
1 each LM555 Timer IC
1 each 22 ohm 1/4 Watt Resistor
1 each 100 ohm 1/4 Watt Resistor
1 each 10 K 1/4 Watt Resistor
1 each 1 M 1/4 Watt Resistor
2 each 2.2 uF Capacitors
1 each AMP/TYCO Terminal Block Connector
I used 6 and 8 pin sockets for the two ICs.
A the parts are available from a combination of Jameco and All Electronics.
If your operating on a tight budget the largest cost is the AMP/Tyco connectors, you can solder wires direct to the boards and save quite a bit.
My next step is to order the materials for making the boards. The best price for the Printed Circuit Board and materials is Circuit Specialist, Inc., they also have the best service and super fast delivery.
Turnout Status & Polarity Protection
As part of this project I'm adding polarity warning and position indicators to my turnouts. By adding a 270 ohm 1/2 watt resistor in series with the track connections the OD-1 will detect reversed polarity at the turnouts. The detector out will drive an LED on the control panel. This is particularly a needed item for a Wye.

I bought 15 DPDT Latching Relays, Aromat DS2E-ML2-DC5V from Electronic Surplus, Inc. for $1.95 each to operate the position indicator on my control panel.
The relay in my drawing is greatly enlarged, the relay measures 3/8" wide by 3/4" long by 3/8" high.
The relay will fit a standard 16 pin IC socket, that is my preference for easy trouble shooting later. I'm using a 4"x6" perf board (All Electronics ECS-1) to mount the sockets for the relays. I use DB37 sockets for the ability to connect the board to my existing switch machine control panel wiring. And a DB25 to connect the relay contacts to the control panel LEDs.
The relay coils are 5 volt DC and need a 120 ohm 1/2 watt resistor in series with each coil to reduce the coil voltage from 12 volts to 5 volts. The relay has two coils, one pulls in (Set) and mechanically locks the center B contacts to the A contacts the other coil (Release) unlocks the mechanism and releases the B contacts back to the C contacts. The hookup is very simple, parallel the relay coils in the turnout switch machine with the coils on the relay. The DPDT switch contacts are used to illuminate the proper position LED on my control panel. The coils on the relay need a 120 ohm 1/2 watt resistor in series to drop the 12 volts to 5 volts to operate the relay coils, without the resistors the coils will burn out.
If you are operating your turnout switch machines with a voltage higher than 12 volts DC you will have to increase the value of the resistors. The relay coils are 68 ohm, 5 volts @ 70 ma. each. The coils are DC so if your using AC you will also have to use a diode in series observing the coil polarity.
One important note: The latching relays will Not Work with a Tortoise type switch machine. The latching relays will only work with dual coil switch machines such as Atlas ATL52/53/65/584-587 and Peco PL-10/11.
Making the Printed Circuit Boards
I haven't made printed circuit boards for 30 years and things have changed a lot. I started by acquiring circuits from Railroad Forums. Robert Pasiley circuits are widely used and proven so I didn't attempt to reinvent the wheel so to speak.
I did the board layout on my CAD program and that went very good. The process requires a transparency to expose Positive Photo Resist Pre-Sensitized PCBs. The transparencies need to be printed on a laser printer or on a laser copier as ink from an ink-jet printer allows some light to pass and the laser ink doesn't. This is a photo type development process and any light will reduce the thickness of the copper foil on the board.
This is a link to a very good article on making boards titled Making Printed Circuits by Spike Tsasmali, Board Products Engineer, Lupine Systems.
This is a link to a very good article on making boards titled Making Printed Circuits by Spike Tsasmali, Board Products Engineer, Lupine Systems.
The older boards required Ultra-Violet for exposure, new boards will except fluorescent light for exposure. Ultra-Violet light reflects badly and requires the transparency ink to be next to the copper surface to prevent some light seepage through the thickness of the transparency film. This means that the transparency must be a mirror image of the circuit. According to the new board manufacturer specifications that process is not needed using florescent light. Since this is my first shot at making boards in a long time I'm going to use the mirror image process anyway as some of the traces and text are thin.





